4080.TDB35 全行程延展 (403-1909N 径向负载/支) 硬化滑轨

Saibo TDB系列 (全行程伸缩滑轨) 是由两支TPE滑轨背对背结合而成的双T型结构,使得此滑轨的行程等于闭合长度。
基于其组装结构,此系列具有很高的负载能力及出色的刚性。同时也具备自由双向滑移的能力。

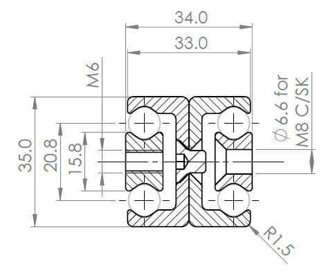
此系列滑轨的标准安装孔位是其中一侧为螺纹安装孔,另一侧则为锥形安装孔。
其他安装孔选项也能提供。另请详见下方"各尺寸负载"标签或与我们的工程师讨论您的需求。

Saibo系列的所有钢珠滚道均经过感应淬火处理达到58+4 HRC的硬度,相似于钢珠之硬度。具备相当小的滑动阻力,并增加了纵向加速度。除了感应淬火的钢珠滚道以外,滑轨本身受到20µm的黑锌镀层保护,符合RoHS和Reach的规范要求。全数制造过程根据ISO9001:2015控制。

规格细节

安装间隙: 34mm
高度: 35mm
闭合长度: 210-1490mm
延展长度: 254-1518mm
最大载重: 403-1909N per slide
滑轨节数: 3
延展程度: Total
材质: Hardened Steel
抗震动性: 10

规格图

适合应用于:

  • 机械制造 - 专用包装机、精准置物系统、装卸设备、机器人系统、穿梭车系统、自动化仓储系统、自动上下料设备
  • 座椅系统 – 电动残障坡道、座椅延伸装置
  • 物流 – 货柜延展、重型扩展系统、自动仓库穿梭车、自动上下料设备
  • 交通运输 – 车门系统、电池收纳、滑动天窗

image

Saibo伸缩滑轨专为需求稳健性和精度的工业应用而设计。滑轨紧凑的设计采用了钢珠4点接触的结构,使得滑轨运行非常平稳顺畅且钢珠与滑轨之间零间隙。这是透过特殊的V型轨道设计以利最小化轴承摩擦与耗损。

Saibo系列的所有钢珠滚道均经过感应淬火处理达到58+4 HRC的硬度,相似于钢珠之硬度。具备相当小的滑动阻力,并增加了纵向加速度。除了感应淬火的钢珠滚道以外,滑轨本身受到20µm的黑锌镀层保护,符合RoHS和Reach的规范要求。全数制造过程根据ISO9001:2015控制。

其耐用性及出色的耐磨性使得Saibo伸缩滑轨成为火车门、电池箱、自动仓库穿梭车以及精密取放物设备应用的理想选择。我们目前拥有28, 35和43mm的规格。 Saibo伸缩滑轨和线性导轨的设计是不影响品质和性能的前提下,更具成本竞争力取代现有欧洲品牌的最佳选择。

请注意,我们的TDB系列滑轨的安装孔是其中一侧为螺纹孔,另一侧为锥形孔。这能确保滑轨能被有效的安装在柜体和抽屉上。若您需求滑轨两侧都是锥形孔或螺纹孔,请提出要求,此皆是无加价的服务。


image


Saibo伸缩滑轨的负载能力是以单根滑轨的径向轴额定载重订定,单位为牛顿。数据乘以两倍即是一对滑轨的载重能力。请允许4周的交期,滑轨是以单支计价和出售。请联系我们以取得批量折扣价。

CAD - (450.step file)

产品编号

闭合长度 (mm)

延展长度 (mm)

最大载重 (N)

4080.TDB35.210210mm254mm403N
4080.TDB35.290290mm318mm801N
4080.TDB35.370370mm406mm1026N
4080.TDB35.450450mm494mm1251N
4080.TDB35.530530mm558mm1686N
4080.TDB35.610610mm646mm1909N
4080.TDB35.690690mm734mm1690N
4080.TDB35.770770mm798mm1592N
4080.TDB35.850850mm886mm1426N
4080.TDB35.930930mm974mm1292N
4080.TDB35.10101010mm1038mm1234N
4080.TDB35.10901090mm1126mm1132N
4080.TDB35.11701170mm1214mm1046N
4080.TDB35.12501250mm1278mm1007N
4080.TDB35.13301330mm1366mm938N
4080.TDB35.14101410mm1454mm878N
4080.TDB35.14901490mm1518mm851N

滑动系统

Saibo硬化伸缩滑轨适合应用于交通运输领域,我们已经正在供应的应用包括车门系统、电池收纳、天窗系统。

如需得知我们如何使用Saibo滑轨结和座椅系统请与我们联系 info@gsfslides.com

滑动系统

Saibo硬化伸缩滑轨适合应用于所有产业的座椅系统,包括电动残障坡道、座椅延伸装置...等等。

如需得知我们如何使用Saibo滑轨结和座椅系统请与我们联系 info@gsfslides.com

物流

Saibo硬化伸缩滑轨是物流系统的理想选择,可应用于货柜延展、重型扩展系统、自动仓库穿梭车、自动上下料设备。

如需了解我们如何能帮助您应用Saibo硬化伸缩滑轨在物流领域,请联系我们 info@gsfslides.com

机械制造

特殊作业机械和机台护栏的设计结构。 Saibo硬化伸缩滑轨的品质优良且价格具竞争力,同时提供了超出机械所需的超长使用寿命。

普遍应用

线性的设计和规格搭配伸缩滑轨的结构,应用于专用包装机、精准置物系统、装卸设备、机器人系统、穿梭车系统、自动化仓储系统、自动上下料设备。

在此类工业应用中,可靠度和耐用性是关键要求。当与工厂自动化结合时,运动精度也至关重要。我们的高端产品系列标示的负载能力代表以变形量小于滑轨长度1%的条件下滑轨能承受之最大重量,这是一个比其他普遍测量滑轨负载能力还更高的标准。借此,我们的客户总是依赖着Sliding Systems产品的耐用性及强度。

我们的产品系列还包括采用超高精度的轴承滚轮运行的导轨系统,配备自动调心之滑块。

与您的工程团队共事时,我们的设计团队能够提供全数组件。

准备好要询价?

4013.3213 Enquiry

" />
向上