4080.TDB43 全行程延展 (606-3092N 径向负载/支) 硬化滑轨

Saibo TDB系列 (全行程伸缩滑轨) 是由两支TPE滑轨背对背结合而成的双T型结构,使得此滑轨的行程等于闭合长度。
基于其组装结构,此系列具有很高的负载能力及出色的刚性。同时也具备自由双向滑移的能力。

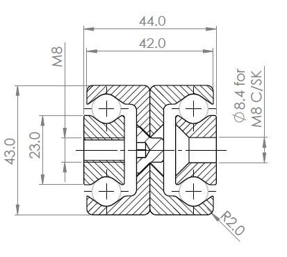
此系列滑轨的标准安装孔位是其中一侧为螺纹安装孔,另一侧则为锥形安装孔。
其他安装孔选项也能提供。另请详见下方"各尺寸负载"标签或与我们的工程师讨论您的需求。

Saibo系列的所有钢珠滚道均经过感应淬火处理达到58+4 HRC的硬度,相似于钢珠之硬度。具备相当小的滑动阻力,并增加了纵向加速度。除了感应淬火的钢珠滚道以外,滑轨本身受到20µm的黑锌镀层保护,符合RoHS和Reach的规范要求。全数制造过程根据ISO9001:2015控制。

规格细节

安装间隙: 44mm
高度: 43mm
闭合长度: 210-1970mm
延展长度: 246-2026mm
最大载重: 606-3092N per slide
滑轨节数: 3
延展程度: Total
材质: Hardened Steel
抗震动性: 10

规格图

适合应用于:

  • 机械制造 - 专用包装机、精准置物系统、装卸设备、机器人系统、穿梭车系统、自动化仓储系统、自动上下料设备
  • 座椅系统 – 电动残障坡道、座椅延伸装置
  • 物流 – 货柜延展、重型扩展系统、自动仓库穿梭车、自动上下料设备
  • 交通运输 – 车门系统、电池收纳、滑动天窗

image

Saibo伸缩滑轨专为需求稳健性和精度的工业应用而设计。滑轨紧凑的设计采用了钢珠4点接触的结构,使得滑轨运行非常平稳顺畅且钢珠与滑轨之间零间隙。这是透过特殊的V型轨道设计以利最小化轴承摩擦与耗损。

Saibo系列的所有钢珠滚道均经过感应淬火处理达到58+4 HRC的硬度,相似于钢珠之硬度。具备相当小的滑动阻力,并增加了纵向加速度。除了感应淬火的钢珠滚道以外,滑轨本身受到20µm的黑锌镀层保护,符合RoHS和Reach的规范要求。全数制造过程根据ISO9001:2015控制。

其耐用性及出色的耐磨性使得Saibo伸缩滑轨成为火车门、电池箱、自动仓库穿梭车以及精密取放物设备应用的理想选择。我们目前拥有28, 35和43mm的规格。 Saibo伸缩滑轨和线性导轨的设计是不影响品质和性能的前提下,更具成本竞争力取代现有欧洲品牌的最佳选择。

请注意,我们的TDB系列滑轨的安装孔是其中一侧为螺纹孔,另一侧为锥形孔。这能确保滑轨能被有效的安装在柜体和抽屉上。若您需求滑轨两侧都是锥形孔或螺纹孔,请提出要求,此皆是无加价的服务。

image

Saibo伸缩滑轨的负载能力是以单根滑轨的径向轴额定载重订定,单位为牛顿。数据乘以两倍即是一对滑轨的载重能力。请允许4周的交期,滑轨是以单支计价和出售。请联系我们以取得批量折扣价。

CAD - (450.step file)

产品编号

闭合长度 (mm)

延展长度 (mm)

最大载重 (N)

4080.TDB43.210210mm246mm606N
4080.TDB43.290290mm316mm1115N
4080.TDB43.370370mm416mm1302N
4080.TDB43.450450mm486mm1827N
4080.TDB43.530530mm556mm2376N
4080.TDB43.610610mm626mm2935N
4080.TDB43.690690mm726mm3092N
4080.TDB43.770770mm796mm3056N
4080.TDB43.850850mm866mm2848N
4080.TDB43.930930mm966mm2508N
4080.TDB43.10101010mm1036mm2365N
4080.TDB43.10901090mm1106mm2239N
4080.TDB43.11701170mm1206mm2020N
4080.TDB43.12501250mm1276mm1929N
4080.TDB43.13301330mm1376mm1767N
4080.TDB43.14101410mm1446mm1694N
4080.TDB43.14901490mm1516mm1628N
4080.TDB43.15701570mm1586mm1568N
4080.TDB43.16501650mm1686mm1460N
4080.TDB43.17301730mm1756mm1407N
4080.TDB43.18101810mm1856mm1322N
4080.TDB43.18901890mm1926mm1281N
4080.TDB43.19701970mm2026mm1207N

滑动系统

Saibo硬化伸缩滑轨适合应用于交通运输领域,我们已经正在供应的应用包括车门系统、电池收纳、天窗系统。

如需得知我们如何使用Saibo滑轨结和座椅系统请与我们联系 info@gsfslides.com

滑动系统

Saibo硬化伸缩滑轨适合应用于所有产业的座椅系统,包括电动残障坡道、座椅延伸装置...等等。

如需得知我们如何使用Saibo滑轨结和座椅系统请与我们联系 info@gsfslides.com

物流

Saibo硬化伸缩滑轨是物流系统的理想选择,可应用于货柜延展、重型扩展系统、自动仓库穿梭车、自动上下料设备。

如需了解我们如何能帮助您应用Saibo硬化伸缩滑轨在物流领域,请联系我们 info@gsfslides.com

机械制造

特殊作业机械和机台护栏的设计结构。 Saibo硬化伸缩滑轨的品质优良且价格具竞争力,同时提供了超出机械所需的超长使用寿命。

普遍应用

线性的设计和规格搭配伸缩滑轨的结构,应用于专用包装机、精准置物系统、装卸设备、机器人系统、穿梭车系统、自动化仓储系统、自动上下料设备。

在此类工业应用中,可靠度和耐用性是关键要求。当与工厂自动化结合时,运动精度也至关重要。我们的高端产品系列标示的负载能力代表以变形量小于滑轨长度1%的条件下滑轨能承受之最大重量,这是一个比其他普遍测量滑轨负载能力还更高的标准。借此,我们的客户总是依赖着Sliding Systems产品的耐用性及强度。

我们的产品系列还包括采用超高精度的轴承滚轮运行的导轨系统,配备自动调心之滑块。

与您的工程团队共事时,我们的设计团队能够提供全数组件。

准备好要询价?

4013.3213 Enquiry

" />
向上